WeekendHobby.com
เครื่องมือในการใช้งาน website =>> สมัครสมาชิก | Login | Logout | เปลี่ยนไอคอนส่วนตัว | เกี่ยวกับเรา | ติดต่อโฆษณา         View stat by Truehits.net


ka24

จาก สมพงษ์
IP:61.91.119.69

พุธที่ , 18/1/2549
เวลา : 14:56

อ่านแล้ว = ครั้ง
 เก็บเข้ากระทู้ส่วนตัว
แจ้งตรวจสอบกระทู้
 แจ้งลบ
ส่งหาเพื่อน ส่งหาเพื่อน

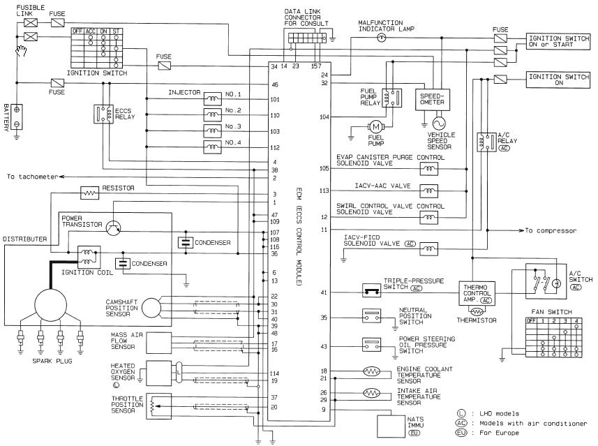
       ท่านใดมีวายริ่งสายไฟเครื่องnissan ka24 บ้างครับขอถ่ายเอกสารหน่อยครับ กำล้งจะลงเครื่องka24ใหม่คร้บ


 แสดงความคิดเห็นย่อย แสดงความคิดเห็นย่อย

แจ้งเพื่อเก็บขึ้นกระทู้พิเศษ คลิ๊กที่นี่แจ้งเพื่อนำขึ้นกระทู้พิเศษ

คำตอบแบ่งหน้าละ 30 คำตอบ ขณะนี้คุณอยู่ที่หน้า 1 จาก >>> 1  

คำตอบที่ 1
      





 แสดงความคิดเห็นย่อย แสดงความคิดเห็นย่อย

จาก ไชยวัฒน์ NFC171 203.146.104.32 พฤหัสบดี, 19/1/2549 เวลา : 09:28  IP : 203.146.104.32   

edit แก้ไขคำตอบ   delete ลบคำตอบ 9221

คำตอบที่ 2
       ขอบคุณ คุณ ไชยวัฒน์ มากครับที่ส่งวายริ่งมาให้ครับ



 แสดงความคิดเห็นย่อย แสดงความคิดเห็นย่อย

จาก สมพงษ์ 61.91.117.254 พฤหัสบดี, 19/1/2549 เวลา : 10:16  IP : 61.91.117.254   

edit แก้ไขคำตอบ   delete ลบคำตอบ 9222

คำตอบที่ 3
       รบกวนอีกรอบขออัตราทดเกียร์และเพืองท้าย ของเครื่องtd25ฝาขาวกับเครื่องKA24ต้วที่ลงในFRONTRIEดัวยครับ



 แสดงความคิดเห็นย่อย แสดงความคิดเห็นย่อย

จาก l,r'KN 58.10.19.168 เสาร์, 21/1/2549 เวลา : 18:43  IP : 58.10.19.168   

edit แก้ไขคำตอบ   delete ลบคำตอบ 9262

คำตอบที่ 4
       ผมมีข้อมูลเฉพาะของ D22 ลองดูว่าตรงกับที่ต้องการหรือเปล่า





 แสดงความคิดเห็นย่อย แสดงความคิดเห็นย่อย

จาก ไชยวัฒน์ NFC171 202.44.210.31 จันทร์, 23/1/2549 เวลา : 09:37  IP : 202.44.210.31   

edit แก้ไขคำตอบ   delete ลบคำตอบ 9268

คำตอบที่ 5
      





 แสดงความคิดเห็นย่อย แสดงความคิดเห็นย่อย

จาก ไชยวัฒน์ NFC171 202.44.210.36 จันทร์, 23/1/2549 เวลา : 09:37  IP : 202.44.210.36   

edit แก้ไขคำตอบ   delete ลบคำตอบ 9269

คำตอบที่ 6
      





 แสดงความคิดเห็นย่อย แสดงความคิดเห็นย่อย

จาก ไชยวัฒน์ NFC171 202.44.210.36 จันทร์, 23/1/2549 เวลา : 09:41  IP : 202.44.210.36   

edit แก้ไขคำตอบ   delete ลบคำตอบ 9270

คำตอบที่ 7
      





 แสดงความคิดเห็นย่อย แสดงความคิดเห็นย่อย

จาก ไชยวัฒน์ NFC171 203.149.16.33 จันทร์, 23/1/2549 เวลา : 09:44  IP : 203.149.16.33   

edit แก้ไขคำตอบ   delete ลบคำตอบ 9271

คำตอบที่ 8
      





 แสดงความคิดเห็นย่อย แสดงความคิดเห็นย่อย

จาก ไชยวัฒน์ NFC171 203.149.16.34 จันทร์, 23/1/2549 เวลา : 11:04  IP : 203.149.16.34   

edit แก้ไขคำตอบ   delete ลบคำตอบ 9278

คำตอบที่ 9
      





 แสดงความคิดเห็นย่อย แสดงความคิดเห็นย่อย

จาก ไชยวัฒน์ NFC-171 203.149.16.34 จันทร์, 23/1/2549 เวลา : 11:06  IP : 203.149.16.34   

edit แก้ไขคำตอบ   delete ลบคำตอบ 9279

คำตอบที่ 10
       ขอบคุณ คุณไชยวัฒน์ อีกครั้งครับ



 แสดงความคิดเห็นย่อย แสดงความคิดเห็นย่อย

จาก สมพงษ์ 61.91.117.94 อังคาร, 24/1/2549 เวลา : 14:46  IP : 61.91.117.94   

edit แก้ไขคำตอบ   delete ลบคำตอบ 9337

คำตอบที่ 11
       ทำไงให้ ka24e แรงขึ้นครับ ติดเทอโบว์ได้ใหม ช่วยแนะหน่อยครับ คุณไชยวัฒน์ รบกวนเบอร์โทรได้ใหมครับจะโทรปรึกษา



 แสดงความคิดเห็นย่อย แสดงความคิดเห็นย่อย

morgan จาก nfc100 203.118.114.164 พุธ, 25/1/2549 เวลา : 01:13  IP : 203.118.114.164   

edit แก้ไขคำตอบ   delete ลบคำตอบ 9347

คำตอบที่ 12
       ต้องขอโทษด้วยที่คงตอบไม่ได้ ต้องรบกวนสมาชิกท่านอื่นที่มีความรู้แนะนำดีกว่านะครับ



 แสดงความคิดเห็นย่อย แสดงความคิดเห็นย่อย

จาก ไชยวัฒน์ NFC171 202.44.210.42 พุธ, 25/1/2549 เวลา : 08:53  IP : 202.44.210.42   

edit แก้ไขคำตอบ   delete ลบคำตอบ 9349

คำตอบที่ 13
       ผมสงสัยว่ามีแต่คนเค้าเปลี่ยนเป็นเครื่องtd แต่คุณ กลับมาเปลี่ยนเป็นka รบกวนช่วยตอบให้หายสงสัยหนอ่ยครับ ขอบคุณครับ



 แสดงความคิดเห็นย่อย แสดงความคิดเห็นย่อย

จาก จอน 125.24.5.72 อาทิตย์, 29/1/2549 เวลา : 15:32  IP : 125.24.5.72   

edit แก้ไขคำตอบ   delete ลบคำตอบ 9395

คำตอบที่ 14
       จะเปลี่ยนไปใช้แก๊สlpgครับ



 แสดงความคิดเห็นย่อย แสดงความคิดเห็นย่อย

จาก สมพงษ์ 61.91.118.205 อังคาร, 31/1/2549 เวลา : 18:49  IP : 61.91.118.205   

edit แก้ไขคำตอบ   delete ลบคำตอบ 9455

คำตอบที่ 15
       เครื่องที่จะเปลี่ยนสถาพใหม่มาก วิ่งมา7000กมเองครับ



 แสดงความคิดเห็นย่อย แสดงความคิดเห็นย่อย

จาก สมพงษ์ 61.91.118.205 อังคาร, 31/1/2549 เวลา : 18:50  IP : 61.91.118.205   

edit แก้ไขคำตอบ   delete ลบคำตอบ 9456

คำตอบที่ 16
       จะขายเท่าไรครับผมกำลังจะยกเครื่องอยู่พอดี โทร 096644107 026328397
ผม ใช้ big m td25



 แสดงความคิดเห็นย่อย แสดงความคิดเห็นย่อย

จาก จอน 125.24.5.72 ศุกร์, 10/2/2549 เวลา : 10:42  IP : 125.24.5.72   

edit แก้ไขคำตอบ   delete ลบคำตอบ 9601

คำตอบที่ 17
       ขอที่14000บาทครับ



 แสดงความคิดเห็นย่อย แสดงความคิดเห็นย่อย

จาก สมพงษ์ 202.133.135.241 ศุกร์, 10/2/2549 เวลา : 23:28  IP : 202.133.135.241   

edit แก้ไขคำตอบ   delete ลบคำตอบ 9605

      

คำตอบแบ่งหน้าละ 30 คำตอบ ขณะนี้คุณอยู่ที่หน้า 1 จาก >>> 1  



website รองรับการใช้งานทุกระบบปฏิบัติการของ PC Tablet SmartPhone ทุกระบบสามารถโพสข้อความและรูปภาพได้โดยไม่ต้องย่อไฟล์
เพื่อความปลอดภัยในการใช้ website WeekendHobby.Com สมาชิก เท่านั้น จึงจะตั้งกระทู้ หรือ ตอบกระทู้ได้ครับ
Login Click ที่นี่
สมัครสมาชิก Click ที่นี่



Since 22, Feb 2001 hit counter View My Stats  Truehits.net      วันอาทิตย์,21 ธันวาคม 2568 (Online 4224 คน)