WeekendHobby.com


การใช้ relay ควบคุมเกียร์ 4WD เนื่องจากไม่มีกล่อง control เกียร์

จาก เล็ก
เสาร์ที่ , 29/12/2550
เวลา : 08:08

อ่าน = 1284 ครั้ง
125.26.52.27
       เรื่องเดิม...
ผมซื้อเกียร์ surf เสื้อใหญ่ เพื่อมาใช้กับรถคานแข็ง (เกียร์แบบที่ใช้ปุ่มกดบนคันเกียร์เพื่อเข้า 4WD) แต่ไม่มีกล่อง control เกียร์มาด้วย
ปัญหา...
ตอนนี้ ใช้เกียร์ 4WD ไม่ได้ เนื่องจากต่อวงจรไม่ถูก แต่ก็มีร้านที่รับติดตั้งชุด relay เพื่อควบคุมระบบ 4WD แทนกล่องควบคุม (ราคาติดตั้งเท่าไหร่ ผมไม่แน่ใจ) อีกเรื่องหนึ่ง ผมไม่อยากซื้อกล่องควบคุมด้วย (ราคากล่อง น่าจะประมาณ 2000 บาท) แบบว่าอยากลองทำเองน่ะครับ คงใช้เงินไม่มาก
สอบถาม...
พี่ๆ เคยเจอปัญหาแบบผมไหม แล้วทำยังไงครับ
1. ซื้อกล่องคอนโทรลเพิ่ม (ปัญหาทุกอย่างก็จบ ติดตั้งได้สะดวก ไม่เปลืองเนื้อที่)
2. ให้ร้านเดินชุดคอนโทรล โดยใช้ relay ควบคุม (ก็ง่ายดี ค่าใช้จ่ายถูกลง) หรือว่า
3. ทำมันด้วยตัวเอง (ลดค่าใช้จ่าย และภูมิใจที่ได้ทำ)
บทสรุป...
เขียนมายืดยาว สรุปสั้นๆก็คือ..พี่ๆช่วยเขียนวงจรการเดินสาย โดยใช้ relay แทนกล่องควบคุมให้ผมหน่อย...ขอบคุณครับผม

>>>> ห้ามด่าว่าผมเคี่ยวนะ >>>>>> ผมอายยย....

Since 22, Feb 2001 hit counter View My Stats  Truehits.net Thailand Web Stat    วัน<%=WeekdayName(Weekday(Date))%>,<%=formatdatetime(date(),1)%> (Online <%=Application("OnlineUsers")%> คน)
   
   

คำตอบที่ 1
       ทางที่ดีนะครับ...(เชื่อผมเหอะ)
1.ซื้อกล่องคอนโทรล ดีที่สุด (ถ้าใช้ได้)
2.ให้ร้านดัดแปลงชุด relay แทนฯ ถ้าเสีย นอกจากร้านใครทำได้บ้าง?ระวังบานปลาย(หมายถึงไม่ค้มเมื่อเวลาเสีย)
3.ทำเองได้ดีที่สุด(ถ้าเข้าใจดีพอ) แต่การลงมือเองน่าจะเอาไว้เป้นยามว่างๆ หรือไม่มีทางเลือก หรือเป็นวิธีสุดท้าย...



sutinsr5 จาก sutinsr5   อาทิตย์, 6/1/2551 เวลา : 23:55   


คำตอบที่ 2
       ผมว่าถ้าไม่มีความรู้ให้ช่างต่อกล่องคอนโทรล ดีที่สุด(แต่ใช้งบสูงหน่อย)
แต่รถผมใช้รีเลย์ครับ เพราะผมต่อเอง(ผมใช้เกียร์ + ดิฟล๊อคของ SURF130 ใช้รีเลย์ทั้งคู่ ไม่มีวงจรอิเล็กทรอนิกส์มาเกี่ยวข้อง ตัวรีเลย์โดนน้ำได้ด้วย รีเลย์หาซื้อง่าย ราคาถูก) ใช้งานได้เหมือนกัน ประหยัดกว่ากันมากค่าอุปกรณ์ทั้งหมดรวมทำเสร็จแล้วยังถูกกว่าค่ากล่องเกียร์เลย
ส่วนวงจรยังหาไม่เจอ เพราะทำไว้นานมากแล้ว แต่จะหาดูให้อีกที



จาก ออฟโรดเด็ก ๆ   จันทร์, 7/1/2551 เวลา : 02:10   


คำตอบที่ 3
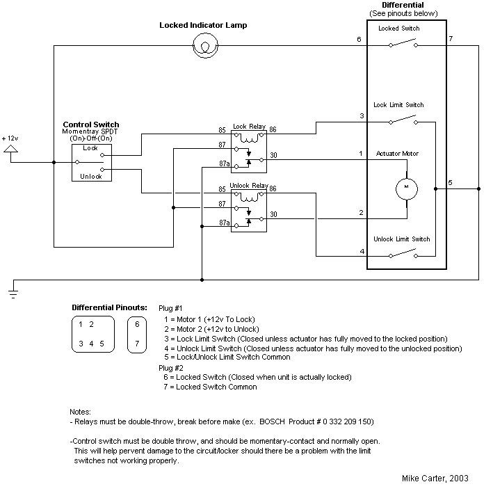
       ลองดูนี่ครับ
เป็นวงจรต่อ diff lock โตต้า ผมใช้มานานแล้ว
ซื้อรีเลย์ Tropica มาสองตัว 280 (แบบที่มีขา 87a)

สามารถใช้ต่อคุมมอเตอร์ท้ายเกียร์ sr5 ได้ครับ





จาก MetalScream   จันทร์, 7/1/2551 เวลา : 09:27   


คำตอบที่ 4
       เกียร์แบบที่ใช้ปุ่มกดบนคันเกียร์เพื่อเข้า 4WDวัตถุประสงค์คือมีไว้ต่อการทำงานของชุดล้อหน้าใช้รีเลย์แบบมีNO-NC(แบบที่มีขา 87a) ก็ได้ครับเพื่อต่อให้โซลินอยร์แวคคั่มทำงานเพื่อตักต่อกำลังเพลาหน้าครับ แต่กล่องคอนโทรลก็ ดีครับจะเป็นตัวป้องกันไม่ให้เราเข้า 4WD เมื่อความเร็วเกิน80หรือ100 Km(ไม่แน่ใจ)ถ้าเราใช้คนเดียวหรือไม่มีเด็กเล็กซุกซนสำหรับผมใช้รีเลย์ครับ แต่ถ้ามีเด็กควรใช้กล่องจะดีกว่าเพราะถ้าชำรุดมันจะเสียมากนะเหมือนที่ท่านsutinsr5และออฟโรดเด็ก ๆและMetalScreamได้กล่าวมาข้างต้นครับ



จาก toc379   จันทร์, 7/1/2551 เวลา : 10:00   


คำตอบที่ 5
       กล่องควบคุมไปหาซื้อแถวปทุมวัน ไม่น่าเกิน 1,500.- ค่าติดตั้งอีกประมาณ 600.-แถวนครชัยศรี
ผมทำมา 4 คันแล้ว ไม่มีปัญหา จบ...
ตอนแรกก็แปลงแบบ รีเรล์นี่เหลาะ เวลาลุยจริงๆ ยิงโฟเข้าบ้าง ไม่เข้าบ้าง ยิงได้ไม่สุด ต้องถอดชุดมอเตอร์เอาเศษไม้เข้าไปขัด ข้างใน แทนการใช้ไฟฟ้า ถึงจะออกจากป่าได้ กลับมาเลยต้องพึ่งกล่องเลยดีกว่า...



จาก vc   จันทร์, 7/1/2551 เวลา : 11:47   


คำตอบที่ 6
       ขอบคุณทุกคำตอบครับผม..



จาก จขกท.   จันทร์, 7/1/2551 เวลา : 20:42   


คำตอบที่ 7
       การที่ยิงเข้าบ้างไม่เข้าบ้างนั้นเป็นปัญหาที่ชุดมอเตอร์ครับ...มันสกปรก.. ถึงแม้ใช้กล่องควบคุมก็ยิงเข้าบ้างไม่เข้าบ้างเหมือนกัน.. ต้องถอดชุดมอเตอร์และ limit switch มาล้างแล้วจะดีขึ้น

ใช้รีเลย์ก็ทำงานได้เหมือนกัน แต่ไม่ full option เหมือนกล่องเท่านั้นเอง



จาก MetalScream   อังคาร, 8/1/2551 เวลา : 00:54   


      

เพื่อลดภาระของ ฐานข้อมูล ซึ่งมีขนาดใหญ่มาก เพราะเวบเปิดมากว่า 10 ปี
จึงทำให้เวบช้าลงมาก ทีมงานจึงขออนุญาต แปลงข้อมูลจาก ฐานข้อมูลหลักเป็น SHTML File
เพื่อลดภาระการทำงานของ ฐานข้อมูลหลักครับ การแปลงฐานข้อมูลนี้ จะทำให้กระทู้นี้
ไม่สามารถตอบคำถามได้อีกต่อไปครับ แต่จะสามารถค้นหาชื่อกระทู้ และ Link ตรงมาที่หน้านี้ได้เหมือนเดิมครับ

ด้วยความนับถืออย่างสูง ทีมงาน Weekendhobby.com


Convert on : 22/8/2011

Error processing SSI file