WeekendHobby.com
เครื่องมือในการใช้งาน website =>> สมัครสมาชิก | Login | Logout | เปลี่ยนไอคอนส่วนตัว | เกี่ยวกับเรา | ติดต่อโฆษณา         View stat by Truehits.net


ปั๊มลม

จาก มือใหม่
IP:202.44.7.68

จันทร์ที่ , 7/11/2548
เวลา : 09:45

อ่านแล้ว = ครั้ง
 เก็บเข้ากระทู้ส่วนตัว
แจ้งตรวจสอบกระทู้
 แจ้งลบ
ส่งหาเพื่อน ส่งหาเพื่อน

       รบกวนพี่ๆชาว Weekend ครับ ผมซื้อปั๊มลมมา 1 ตัวอยากทราบวิธีต่อวงจรของปั๊ม
พอดีชุดปั๊มที่ซื้อมามันมีอุปกรณ์ติดมาด้วย แต่ไม่รู้จะต่อยังไงรบกวนผู้รู้ช่วยผมด้วยครับ
ขอบพระคุณมากครับ



 แสดงความคิดเห็นย่อย แสดงความคิดเห็นย่อย

แจ้งเพื่อเก็บขึ้นกระทู้พิเศษ คลิ๊กที่นี่แจ้งเพื่อนำขึ้นกระทู้พิเศษ

คำตอบแบ่งหน้าละ 30 คำตอบ ขณะนี้คุณอยู่ที่หน้า 1 จาก >>> 1  

คำตอบที่ 1
       ซื้อมาราคาเท่าไหรครับ แหล่งไหน กำลังหาอยู่เหมือนกันวิธีติดตั้งไม่ยาก เท่าที่ดูในรูปไม่ทราบว่ามีเพรชเชอร์สวิทซ์ควบคุมหรือยัง ในเวปนี้เคยมีท่านผู้รู้เคย Post วงจรการติดตั้งไว้ เรียนเชิญเพื่อนๆช่วยแน๊ะนำต่อด้วยครับ



 แสดงความคิดเห็นย่อย แสดงความคิดเห็นย่อย

จาก konic@thaimail.com 203.121.170.163 ศุกร์, 11/11/2548 เวลา : 12:05  IP : 203.121.170.163   

edit แก้ไขคำตอบ   delete ลบคำตอบ 24758

คำตอบที่ 2
       ตอบคุณมือใหม่ครับ
ก่อนที่จะรอให้ท่านอื่นมาตอบ ผมว่าคุณน่าจะใช้เครื่องมือในโปรแกรมอินเตอร์เน็ตค้นหาดูก่อนจะดีกว่ามั้ยครับ
ถ้าถามต่อว่าทำอย่างไรนะหรือ
-ตรงที่คุณคลิ๊กตั้งคำถามใหม่นั่นแหละ
-ถัดไปสองช่องทางด้านขวา จะเจอคำว่าค้นหากระทู้
-จะมีช่องว่างให้กรอกคำที่ต้องการทราบ จะเป็นภาษาอังกฤษหรือไทยก้ได้
-เมื่อพิมพ์คำที่ต้องการแล้วกด GO
-ข้อมูลที่คุณต้องการจะพรั่งพรูออกมาจากบอร์ด
ลองดูก่อนนะครับ ถ้าไม่กระจ่างในเรื่องใดค่อยมาตั้งกระทู้ถามใหม่ก็ยังได้
ไม่ใช่ว่าอยากรู้เรื่องไรก็ตั้งกระทู้ใหม่เรื่อยเลย นอกจากจะเปลืองพื้นที่บอร์ดแล้ว ยังอาจจะไม่ได้รับคำตอบ แล้วจะพาลเสียรมณ์เปล่าๆ



 แสดงความคิดเห็นย่อย แสดงความคิดเห็นย่อย

จาก มือเก่าเฝ้าบอร์ด 202.44.210.31 ศุกร์, 11/11/2548 เวลา : 12:20  IP : 202.44.210.31   

edit แก้ไขคำตอบ   delete ลบคำตอบ 24759

คำตอบที่ 3
       คำตอบที่ 1ผมซื้อจากช่องประกาศซื้อขายอะครับ เขาส่งให้ด้วยถ้าอยู่ ตจว.
คำตอบที่ 2 ขอบคุณมากครับ



 แสดงความคิดเห็นย่อย แสดงความคิดเห็นย่อย

จาก มือใหม่ 202.44.7.67 อังคาร, 15/11/2548 เวลา : 15:24  IP : 202.44.7.67   

edit แก้ไขคำตอบ   delete ลบคำตอบ 24839

คำตอบที่ 4
       ผมไปเจอมาเฉพาะตัวปั้ม เค้า ขาย 1500 แพงไปเปล่า ครับ



 แสดงความคิดเห็นย่อย แสดงความคิดเห็นย่อย

chet0439 จาก chet0439 61.90.195.246 อังคาร, 6/12/2548 เวลา : 17:09  IP : 61.90.195.246   

edit แก้ไขคำตอบ   delete ลบคำตอบ 25166

คำตอบที่ 5
       วิธีการต่อปั๊มลมเข้าไปเก็บไว้ในถังลมครับ





 แสดงความคิดเห็นย่อย แสดงความคิดเห็นย่อย

จาก m&m 202.42.154.133 อังคาร, 6/12/2548 เวลา : 19:45  IP : 202.42.154.133   

edit แก้ไขคำตอบ   delete ลบคำตอบ 25168

คำตอบที่ 6
       น่าจะดูยี่ห้อที่ตัวเครื่องแล้วลองโทรไปถามที่บริษัทเค้าดูนะ ส่วนใหญ่เค้าก็รับซ่อมหรือมาทำให้ อาจจะต้องเสียค่าใช้จ่ายนิดหน่อยอ่ะ ต้องลองดู



 แสดงความคิดเห็นย่อย แสดงความคิดเห็นย่อย

จาก ฟา 168.120.26.189 อังคาร, 13/12/2548 เวลา : 16:50  IP : 168.120.26.189   

edit แก้ไขคำตอบ   delete ลบคำตอบ 25281

คำตอบที่ 7
       ผมกำลังหาร้านติดตั้งอยู่เหมือนกัน ถ้าติดตั้งได้แล้วช่วยบอกหน่อยน่ะครับ



 แสดงความคิดเห็นย่อย แสดงความคิดเห็นย่อย

COOL HANDCOOL HAND จาก TOC665 203.114.120.250 จันทร์, 2/1/2549 เวลา : 21:10  IP : 203.114.120.250   

edit แก้ไขคำตอบ   delete ลบคำตอบ 25583

คำตอบที่ 8
       ตอบกวนตีนนะเขาถามดีๆ ไอ้เวร



 แสดงความคิดเห็นย่อย แสดงความคิดเห็นย่อย

จาก 000 58.9.18.149 เสาร์, 7/1/2549 เวลา : 23:30  IP : 58.9.18.149   

edit แก้ไขคำตอบ   delete ลบคำตอบ 25647

คำตอบที่ 9
       เห็นด้วย



 แสดงความคิดเห็นย่อย แสดงความคิดเห็นย่อย

จาก dr salum 203.146.58.129 เสาร์, 11/3/2549 เวลา : 19:45  IP : 203.146.58.129   

edit แก้ไขคำตอบ   delete ลบคำตอบ 26905

คำตอบที่ 10
       ถังลมให้ร้านทำท่อไอเสียติดตั้งให้





 แสดงความคิดเห็นย่อย แสดงความคิดเห็นย่อย

จาก ON_TOUR 58.8.67.162 จันทร์, 27/3/2549 เวลา : 23:03  IP : 58.8.67.162   

edit แก้ไขคำตอบ   delete ลบคำตอบ 27150

คำตอบที่ 11
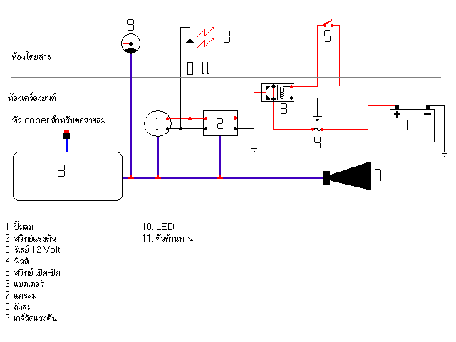
       ปั้มลมและหัวCOPER สำหรับต่อใช้ลม





 แสดงความคิดเห็นย่อย แสดงความคิดเห็นย่อย

จาก ON_TOUR 58.8.67.162 จันทร์, 27/3/2549 เวลา : 23:05  IP : 58.8.67.162   

edit แก้ไขคำตอบ   delete ลบคำตอบ 27151

คำตอบที่ 12
       ตัวสีขาวสวิทแรงดันลมและหัวCOPPER ที่ในห้องเครื่อง





 แสดงความคิดเห็นย่อย แสดงความคิดเห็นย่อย

จาก ON_TOUR 58.8.67.162 จันทร์, 27/3/2549 เวลา : 23:08  IP : 58.8.67.162   

edit แก้ไขคำตอบ   delete ลบคำตอบ 27152

คำตอบที่ 13
       เกจวัดลมต่อมาไว้ในรถ





 แสดงความคิดเห็นย่อย แสดงความคิดเห็นย่อย

จาก ON_TOUR 58.8.67.162 จันทร์, 27/3/2549 เวลา : 23:14  IP : 58.8.67.162   

edit แก้ไขคำตอบ   delete ลบคำตอบ 27153

คำตอบที่ 14
       พี่ON_TOUR ไปทำที่ไหนมาครับ สนใจครับ



 แสดงความคิดเห็นย่อย แสดงความคิดเห็นย่อย

จาก มือใหม่ 202.44.7.50 พุธ, 29/3/2549 เวลา : 17:05  IP : 202.44.7.50   

edit แก้ไขคำตอบ   delete ลบคำตอบ 27201

คำตอบที่ 15
      















ไม่ใช่ว่าอยากรู้เรื่องไรก็ตั้งกระทู้ใหม่เรื่อยเลย นอกจากจะเปลืองพื้นที่บอร์ดแล้ว ยังอาจจะไม่ได้รับคำตอบ แล้วจะพาลเสียรมณ์เปล่าๆ


ตอบกวนตีนนะเขาถามดีๆ ไอ้เวร คห.ที่8 สะใจจริงๆ








 แสดงความคิดเห็นย่อย แสดงความคิดเห็นย่อย

จาก สุดยอด 125.25.19.73 พุธ, 29/3/2549 เวลา : 20:48  IP : 125.25.19.73   

edit แก้ไขคำตอบ   delete ลบคำตอบ 27206

คำตอบที่ 16
       ผมทำเองครับยกเว้นติดถังลมกับปั้มลมให้ร้านท่อไอเสียเชื่อมจุดยึดให้ อุปกรณ์ต่างๆหาซื้อได้ที่คลองถมเซ็นเตอร์ปั้มลมซื้อจากเซียงกงบางนา ดูที่คห.5ก็ได้ครับแล้วหาซื้ออุปกรณ์ให้ครบก่อนแล้วค่อยติดตั้งถ้าจะทำติดขัดตรงจุดไหนถามได้นะครับจะตอบให้





 แสดงความคิดเห็นย่อย แสดงความคิดเห็นย่อย

จาก ON_TOUR 58.9.62.140 พุธ, 29/3/2549 เวลา : 22:19  IP : 58.9.62.140   

edit แก้ไขคำตอบ   delete ลบคำตอบ 27211

คำตอบที่ 17
       ของผมก็ติดถังกับปั๊มแล้วครับแต่ยังไม่ได้ซื้ออุปกรณ์
อาทิตย์นี้ว่าจะเข้าไปซี้ออุปกรณ์ครับ
อยากจะถามว่าอุปกรณ์ชิ้นที่ 2 3 4 5 และ 9
มีรายละเอียดเพิ่มเติมไหม ว่าเป็นอย่างไร
และสายไฟที่เดินมาหาปั๊ม ขนาดเท่าไหร่



 แสดงความคิดเห็นย่อย แสดงความคิดเห็นย่อย

tew Izu 457 จาก TEW IZU 457 203.170.228.172 ศุกร์, 14/4/2549 เวลา : 22:28  IP : 203.170.228.172   

edit แก้ไขคำตอบ   delete ลบคำตอบ 27407

คำตอบที่ 18
       2.สวิทแรงดันลมแบบปรับตั้งแรงดันได้ 900
3.รีเลย์บอส 70
4.ฟิวส์แบบเสียบ 20
5.สวิทปิดเปิด12V 20
9.เกจ์วัดแรงดันของใหม่และของเก่าญี่ปุ่นราคาพอๆกันแล้วแต่จะเลือกใช้ 150
สายไฟที่ใช้ขนาด5mm



 แสดงความคิดเห็นย่อย แสดงความคิดเห็นย่อย

จาก ON_TOUR 58.9.62.167 อาทิตย์, 16/4/2549 เวลา : 22:01  IP : 58.9.62.167   

edit แก้ไขคำตอบ   delete ลบคำตอบ 27420

คำตอบที่ 19
       เมื่อวานผมไปเดินคลองถมมาแล้วครับ
ซื้ออุปกรณ์มาเกือบหมดแล้วครับ
ขาดแต่ สวิทซ์แรงดันที่หาซื้อไม่ได้
เนื่องจากทางร้านเลือกให้ไม่ถูก
อยากรบกวนพี่ ON_TOUR ถ่ายรูปให้ดูชัดๆ ครับ
ขอบคุณล่วงหน้าครับ



 แสดงความคิดเห็นย่อย แสดงความคิดเห็นย่อย

tew Izu 457 จาก TEW IZU 457 203.170.228.172 จันทร์, 17/4/2549 เวลา : 22:40  IP : 203.170.228.172   

edit แก้ไขคำตอบ   delete ลบคำตอบ 27425

คำตอบที่ 20
       รูปครับ





 แสดงความคิดเห็นย่อย แสดงความคิดเห็นย่อย

จาก ON_TOUR 58.9.56.82 อังคาร, 18/4/2549 เวลา : 14:34  IP : 58.9.56.82   

edit แก้ไขคำตอบ   delete ลบคำตอบ 27434

คำตอบที่ 21
      



 แสดงความคิดเห็นย่อย แสดงความคิดเห็นย่อย

จาก จะเสนอขายของในเว็บไซด์ แล้วจะ 58.10.149.239 เสาร์, 29/7/2549 เวลา : 13:09  IP : 58.10.149.239   

edit แก้ไขคำตอบ   delete ลบคำตอบ 28928

คำตอบที่ 22
      
หาซื้อรุ่น7ครีบได้ที่ไหนครับ



 แสดงความคิดเห็นย่อย แสดงความคิดเห็นย่อย

จาก หาอยู่ยังหาไม่ได้ 58.9.65.46 พุธ, 6/9/2549 เวลา : 14:54  IP : 58.9.65.46   

edit แก้ไขคำตอบ   delete ลบคำตอบ 29429

คำตอบที่ 23
       งง



 แสดงความคิดเห็นย่อย แสดงความคิดเห็นย่อย

จาก เต้ครับ 202.149.24.161 จันทร์, 24/3/2551 เวลา : 14:20  IP : 202.149.24.161   

edit แก้ไขคำตอบ   delete ลบคำตอบ 35369

คำตอบที่ 24
       ขอรูปใกล้หน่อยเถอะครับ
มีสายไฟสองชุดแล้วก็
ท่อลม สามหรือสี่เส้นที่ไม่ทราบจะต่อ
อย่างไง

____________
// bangpoo®



 แสดงความคิดเห็นย่อย แสดงความคิดเห็นย่อย

bangpoo จาก bangpoo 203.146.16.141 พุธ, 27/1/2553 เวลา : 15:39  IP : 203.146.16.141   

edit แก้ไขคำตอบ   delete ลบคำตอบ 40132

      

คำตอบแบ่งหน้าละ 30 คำตอบ ขณะนี้คุณอยู่ที่หน้า 1 จาก >>> 1  



website รองรับการใช้งานทุกระบบปฏิบัติการของ PC Tablet SmartPhone ทุกระบบสามารถโพสข้อความและรูปภาพได้โดยไม่ต้องย่อไฟล์
เพื่อความปลอดภัยในการใช้ website WeekendHobby.Com สมาชิก เท่านั้น จึงจะตั้งกระทู้ หรือ ตอบกระทู้ได้ครับ
Login Click ที่นี่
สมัครสมาชิก Click ที่นี่



Since 22, Feb 2001 hit counter View My Stats  Truehits.net      วันพุธ,18 กุมภาพันธ์ 2569 (Online 6241 คน)